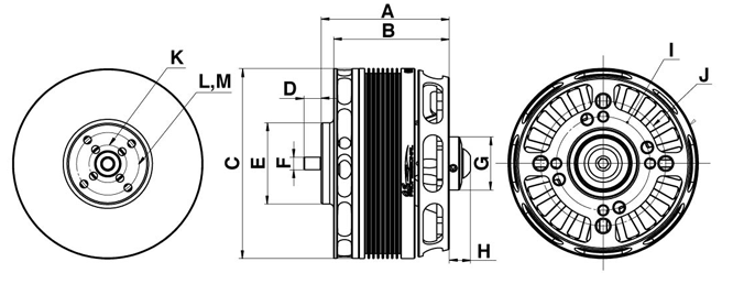
| 寸法(mm) | |
|---|---|
| A | 44.0 |
| B | 41.0 |
| C | 60.0 |
| D | 5.5 |
| E | 26.0 |
| F | 4.0 |
| G | 15.0 |
| H | 8.0 |
| I | Φ30/4-(M3,M4) |
| J | Φ40/4-M5 |
| K | Φ12/4-M3 |
| L | Φ20/4-M3 |
| M | - |
| 項目 | Item | 単位:unit | |
|---|---|---|---|
| 極 数 | Poles | 22 | |
| 重 量(※1) | Weight | g | 345(380) |
| リード線 長さ | Wire Length | mm | 500 |
| リード線 太さ | Wire Gauge | 15AWG | |
| コネクタ凸 | Male Connector | mm | 4.0 |
| 定格電圧 | Rated Voltage | (V/20℃) | 22.2(6S Lipo) |
| 定格電力 | Rated Power | (W/20℃) | 510 |
| 定格電流(※2) | Rated current | (A/20℃) | 23 |
| 最大電力 | Maximum Power | (W/180sec) | 950 |
| 最大電流(※3) | Maximum current | (A/180sec) | 43 |
| 無負荷電流 | No-load current | (A/@10V) | 1.2 |
| 相間抵抗 | Phase resistance | mΩ | 45 |
| ステータ | Slots | 24 | |
| 電圧範囲 | Voltage Range | V | 14.8(4s Lipo)-34.8(8S LiHV) |
| KV値 | KV | rpm/V | 330 |
※1 重量(リード線&コネクタ含む)/Weight (with wires & connector)
※2/※3モーターは運転中の性能を維持するために、プロペラ後流等の冷却用の空気(風速5m/s以上、環境温度20℃)を必要とします。
モーターの冷却用の孔を塞いだり、モーターへのプロペラ後流を遮断する構造にすると、性能を維持出来なくなることが有ります。
※2/※3
To maintain its full performance during operation, the motor needs to be cooled down by air, such as propeller slipstream. The wind speed for cooling should be more than 5m/s at 20℃ environmental temperature. Covering the air ducts of the motor and disturbing the propeller slipstream may cause malfunction of the motor due to overheating.







